Revue Technique Automobile Skoda Octavia: Réparation du climatiseur - compartiment moteur
| Attention! Déconnecter la tresse de masse de la batterie avant de travailler sur l'installation électrique. |
Remarque
- Avant de déconnecter la batterie demander le codage s'il s'agit d'un autoradio équipé d'un codage antivol.
- En débranchant et rebranchant la tresse de masse de la batterie, quelques travaux complémentaires doivent être effectués Installation électrique ; Gr. de rép. 27.
- Tous les composants du climatiseur ainsi que la totalité des Durits et des conduites le véhiculant identifiés par un * ne peuvent être remplacés ou réparés que par des points d'intervention spécialisés du fait que le frigorigène doit au préalable être aspiré au moyen d'un appareil spécial qu'ils sont les seuls à posséder.
- Strictement observer les mesures de sécurité en travaillant sur des véhicules équipés d'un climatiseur et en manipulant du frigorigène R 134a.
- Tenir compte des remarques concernant les opérations devant être effectuées sur le circuit de frigorigène.
- Ne pas faire démarrer le moteur si les conduites de frigorigène ne sont pas raccordées au compresseur et si celuici est doté d'obturateurs (risque de surchauffe du fait du circuit interne d'huile de frigorigène).
- Quand le réservoir de liquide avec déshydrateur doit alors être remplacé.

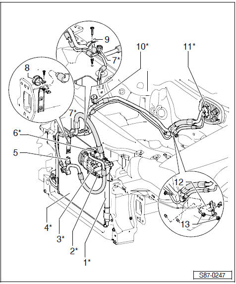
1 - Réservoir de liquide avec déshydrateur*
- Déposer et poser
- Remplacer le réservoir de liquide, si …
2 - Vanne de régulation du compresseur, climatiseur - N280-*
- Ne pas désassembler les pièces du compresseur
Remarque La vanne de régulation reçoit de l'appareil de commande du climatiseur -J301- et de l'appareil de commande du Climatronic -J255- un signal modulé (500 Hz) en fonction du froid demandé et régule le volume du compresseur via la pression d'aspiration/la position du disque pivotant.
3 - Compresseur*
- différents fabricants: ; Contenances
- Déposer et poser les conduites de frigorigène Fig. 1 au
- Protection de la courroie en cas de blocage du compresseur Fig. 2 au
- Déposer et poser le compresseur
- Directive de rodage
4 - Condensateur*
- Déposer et poser les conduites de frigorigène Fig. 3 au
- Dépose et pose du condensateur
5 - Transmetteur haute pression -G65-
- Fonction
- Déposer et poser Fig. 4 au
- contrôler Système de mesure et d'informations pour l'autodiagnostic du véhicule -VAS 5051- dans la fonction "Exécution de la recherche des défauts"
6 - Vanne de détente*
- Remplacer le joint torique ( Catalogue des pièces de rechange)
- Couple de serrage: 10 Nm
- Fonction
- Contrôler
7 - Vanne d'aspiration et de remplissage*
- Côté haute pression
- pour aspirer, remplir et mesurer
- Contenances
- Toujours visser le capuchon doté d'un joint
8 - Collier
9 - Etrier de maintien
10 - Vanne d'aspiration*
- Côté basse pression
- Uniquement pour aspirer et mesurer
- Toujours visser le capuchon doté d'une bague d'étanchéité
11 - Vanne d'expansion*
- Déposer et poser les conduites de frigorigène ; Déposer et poser la vanne d'expansion
- Déposer et poser
12 - Support pour la conduite de frigorigène
13 - 20 Nm

Fig. 1: Retirer les conduites de frigorigène du compresseur et
les remettre
1 - 25 Nm
2 - Ajutage de raccordement de conduite de haute pression
- Frein avec douille d'adaptation
3 - Ajustage de raccordement de conduite de basse pression
- Frein avec douille d'adaptation
4 - Joint torique (côté basse pression)
- remplacer ( Catalogue des pièces de rechange)
5 - Douille d'ajustement
6 - Gorge pour joint torique
7 - Joint
torique (côté haute pression)
- remplacer ( Catalogue des pièces de rechange)
Remarque Obturer les conduites de frigorigène et les raccords du compresseur.

Fig. 2: Carter de courroie si compresseur bloqué
Le compresseur continue de tourner sous l'effet de l'embrayage à entraîneur -2- et -3- que le climatiseur soit enclenché ou non.
Si le compresseur se bloque les éléments en caoutchouc -3- sont cisaillés ou le plateau d'entraînement -1- se déforme selon la température du compresseur (dépend de la température).
La poulie du compresseur peut tourner dans tous les cas alors que le plateau d'entraînement/l'arbre du compresseur ne bougent plus.
Le compresseur doit alors être remplacé.
Différents compresseurs sont installés en fonction du moteur ( ), dont l'antiblocage est modifié dans le dessin.

Fig. 3: Retirer les conduites de frigorigène du condensateur
et les remettre
1 - Ajustage de raccordement du condensateur
2 - Joints toriques
- remplacer ( Catalogue des pièces de rechange)
3 - Ajutage de raccordement de conduite de frigorigène
- Frein avec douille d'adaptation
4 - 10 Nm
5 - Douille d'ajustement
6 - Gorge pour joint torique
Remarque Obturer les conduites de frigorigène et le raccord du condensateur.

Fig. 4: Dépose et pose du transmetteur haute pression -G65-
- Retirer la fiche à 3 broches du transmetteur haute pression -G65- -1-.
- Dévisser le transmetteur haute pression.
Couple de serrage: 8 Nm
- Remplacer le joint torique ( Catalogue des pièces de rechange), l'humidifier avec de l'huile de frigorigène et l'introduire prudemment.
Remarque
- Le circuit de frigorigène reste fermé, raccord avec vanne.
- Selon la variante de moteur, le transmetteur haute pression -G65- -1- peut aussi bien être installé en un endroit à proximité du condensateur.
Contenances
Circuit de frigorigène
550 ± 25 g frigorigène R 134a (pour tous les compresseurs)
Remarque
Ne remplir le circuit de frigorigène que par le côté haute pression.
Toujours remplir le circui ...
Dépose et pose des pièces du climatiseur - compartiment moteur
Déposer et poser le réservoir de liquide avec déshydrateur
(Seulement dans un atelier d'assistance et de maintenance!)
Quand le réservoir de liquide avec déshydrateur doit alors être remplacé ...
D'autres materiaux:
Contacteur des feux stop -F- et contacteur de pédale de frein -F47-,
déposer, poser et régler
La dépose et la pose du contacteur des feux stop doit seulement être
effectuée lorsque le poussoir est enfoncé sinon le verrouillage du contacteur
des feux stop serait endommagé.
Pour pouv ...
Situations de conduite particulières
Fig. 172 Situations particulières : Route à virages / véhicules étroits ou
roulant en quinconce
Fig. 173 Situations particulières : Changement de voie d'autres ...