Revue Technique Automobile Skoda Octavia: Déposer et poser le support du dispositif de la portière
Déposer
Remarque Le support du dispositif est déposé conjointement au lève-vitre.

- Déposer l'habillage de la portière.
- Déposer le boîtier du cylindre de fermeture (portière côté conducteur) ou le boîtier du cylindre de fermeture (portière côté passager avant).
- Défaire le clip -1- de la poignée de la portière -2-.

- Débloquer les capuchons -1-.
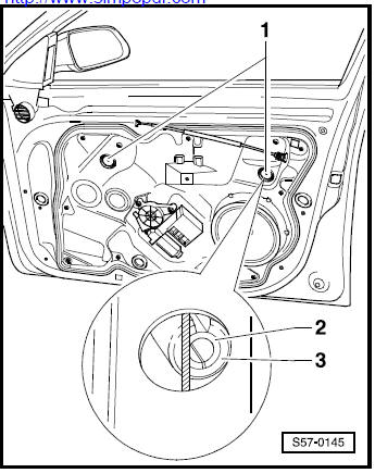
- Descendre la vitre de la portière jusqu'à ce que la goupille à pattes -2- et la cheville à pattes -3- deviennent accessibles dans la découpure du porte-mécanisme.
- Serrer une vis M5 (longue de 70 mm environ) dans la goupille à pattes -2- et l'extraire de la cheville à pattes -3-.
- Mettre une vis M8 (longueur 80 mm env.) dans la cheville à pattes -3-.
Remarque Ne pas exercer une trop forte pression lors du serrage de la vis dans la cheville à pattes sinon celle-ci peut tomber dans la portière.
- Extraire la cheville à pattes du guidage du lève-vitre et donc de la vitre de la portière.
- Pousser la vitre de portière vers le haut et la fixer (avec du ruban adhésif par ex.).
| ATTENTION! Déconnecter la tresse de masse
de la batterie avant de travailler sur l'installation électrique.
Des travaux complémentaires doivent être effectués en cas de débranchement et de rebranchement de la tresse de masse de la batterie Installation électrique ; Gr. de rép. 27. |

- Retirer le soufflet -6- du montant A.
- Débrancher les connexions à fiches -4- et tirer le câblage via le soufflet -6-.

- Percer les têtes des rivets -flèches-. Désolidariser le porte-mécanisme de la portière en l'écartant de celleci.

- Enlever les vis -1- (20 Nm).
- Débrancher la fiche de la serrure de portière et la fiche du rétroviseur extérieur.
- Défaire la serrure de portière et enlever prudemment le porte-mécanisme de la portière.
Poser
La pose doit être effectuée dans l'ordre inverse en tenant compte des points suivants:
Remarque Lors de la pose du porte-mécanisme utiliser uniquement des pièces d'origine (rivets de déchirement).
Déposer et poser la vitre de la portière
Déposer
- Déposer le support du dispositif.
- Désolidariser de la bride le joint intérieur de cuvette de la baie.
- Enlever la vitre de la portière.
Poser
La pose doit être effectuée dans l'ordre inverse.
Dépose et pose des portières
Déposer
ATTENTION! Déconnecter la tresse de masse
de la batterie avant de travailler sur l'installation électrique.
Retirer le soufflet -6- du montant A.
Débrancher les co ...
Aperçu du montage d'une poignée et d'une serrure de portière
1 - Serrure de portière
Déposer et poser
2 - Câble
sert au déverrouillage de la serrure
3 - Etrier
Déposer:
La poignée de portière, le boîtier du cylindre de f ...
D'autres materiaux:
Contrôle de l'épaisseur des plaquettes de frein avant et arrière
Plaquettes avant des freins à disque
Remarque Déposer les
roues pour mieux déterminer l'épaisseur résiduelle des plaquettes.
Marquer la position de la roue.
Déposer les boulons de la fi ...
Réparation du systeme de débrayage
Outils spéciaux équipements d'atelier, contrôleurs, appareils de
mesure et auxiliaires nécessaires
Clé dynamométrique
1 - Boîte de vitesses 2 - Tourillon a tete sphérique, 25 Nm
...