Revue Technique Automobile Skoda Octavia: Dépose et pose du condensateur
Revue Technique Automobile Skoda Octavia / Chauffage, Climatisation / Climatisation / Dépose et pose des pièces du climatiseur - compartiment moteur / Dépose et pose du condensateur
(Seulement dans un atelier d'assistance et de maintenance!)
Remarque
- Le frigorigène doit être aspiré auparavant.
- Tous les composants ouverts du circuit de frigorigène doivent être fermés avec des obturateurs appropriés pour les protéger de l'humidité.
- Déposer le radiateur Moteur ; Gr. de rép. 19.
- Débrancher les conduites de frigorigène du condensateur.
La pose doit être effectuée dans l'ordre inverse.

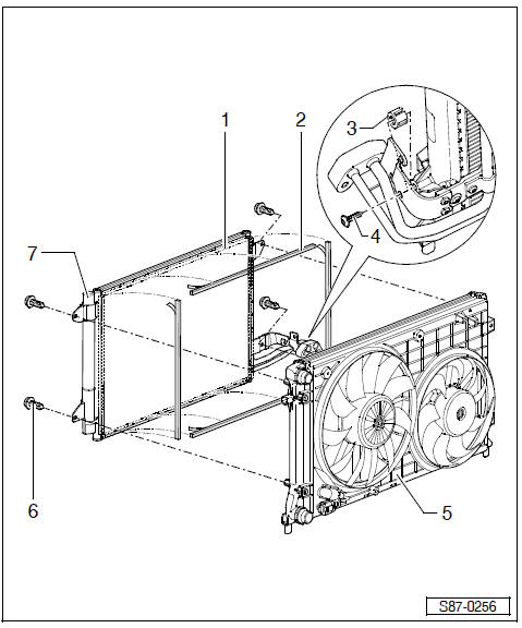
1 - Condensateur
- fixé avec 4 vis au radiateur
2 - Ruban d'étanchéité
- coller en haut, en bas et sur les côtés du condensateur
3 - Support d'écartement
Remarque Le support d'écartement est installé sur quelques véhicules uniquement!
4 - Vis, 5 Nm
5 - Radiateur
6 - Vis, 5 Nm
- 4 unités
7 - Réservoir de liquide avec déshydrateur
- Déposer et poser
Dépose et pose de la vanne d'expansion
(Seulement dans un atelier d'assistance et de maintenance!)
Remarque
Le frigorigène doit être aspiré auparavant.
Tous les composants ouverts du circuit de frigorigène doivent
être fermà ...
Dépose et pose du climatiseur
(Climatic et Climatronic)
(Seulement dans un atelier d'assistance et de maintenance!)
Outils spéciaux équipements d'atelier, contrôleurs, appareils de mesure et
auxiliaires nécessaires
Col ...
D'autres materiaux:
Lave-phares
Les phares sont lavés à chaque première pulvérisation et toutes les dix
pulvérisations
sur le pare-brise.
Le système de nettoyage des phares fonctionne da ...
Traction d'une remorque/caravane
Vitesse
Pour des raisons de sécurité, ne roulez pas à plus de 80 km/h quand une
remorque
est attelée.
Réduisez immédiatement la vitesse dès que ...