Revue Technique Automobile Skoda Octavia: Dépose et pose des pièces du climatiseur - compartiment moteur
Déposer et poser le réservoir de liquide avec déshydrateur
(Seulement dans un atelier d'assistance et de maintenance!)
Quand le réservoir de liquide avec déshydrateur doit alors être remplacé.

Déposer
- Vidanger le circuit de frigorigène.
- Mettez le support de serrure en position de maintenance Carrosserie - Travaux de montage ; Gr. de rép. 50.
- Retirer les vis de fixation pour le radiateur Moteur ; Gr. de rép. 19.
- Accrocher le radiateur avec l'outillage d'atelier (serrecâbles ou fil à souder) à la grue d'atelier
- V.A.G 1202 A- et au dispositif de suspension -2024 A- et décrocher le radiateur du support de serrure.
Les Durits de liquide de refroidissement et les conduites de frigorigène restent raccordées.
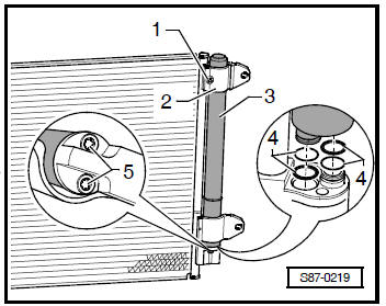
- Retirer la vis de fixation -1- et enlever l'agrafe -2-.
- Retirer les vis -5- et sortir le réservoir de liquide avec déshydrateur -3- vers le haut.

Poser
La pose doit être effectuée dans l'ordre inverse. Tenir compte de ce qui suit:
- Remplacer les joints toriques -4-.
- Serrer d'abord les vis -5- puis la vis -1- Ã 5 Nm.
- Remplir le circuit de frigorigène.
Remplacer le réservoir de liquide avec
déshydrateur
Le réservoir de liquide avec déshydrateur doit alors être remplacé, si
- le circuit de frigorigène a été nettoyé à l'air comprimé.
- le compresseur a été bloqué.
- le système est ouvert depuis une durée indéterminée.
Le réservoir de liquide avec déshydrateur ne doit pas être remplacé, si
- après un accident le réservoir de liquide n'est pas endommagé.
- la réparation du circuit de frigorigène est effectuée à court terme (dans le délai spécifié du temps de réparation) et le véhicule n'a pas plus de 5 ans.
- pour réparer d'autres composants, le circuit de frigorigène doit être ouvert à court terme et le véhicule n'a pas plus de 5 ans.
Dépose et pose du compresseur
(Seulement dans un atelier d'assistance et de maintenance!)

Déposer
- Vidanger le circuit de frigorigène.
- Déposer les panneaux d'insonorisation Carrosserie - Travaux de montage ; Gr. de rép. 50.
- Déposer la courroie poly-V Moteur ; Gr. de rép.
19.
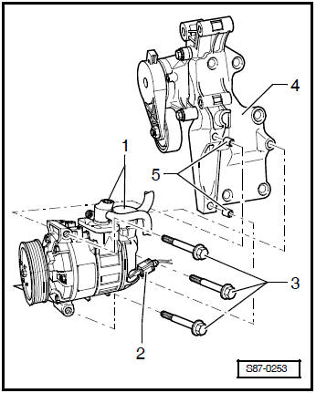
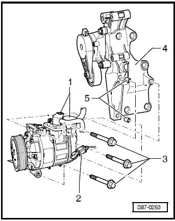
- Enlever la fiche de raccordement -2-.
- Débrancher les conduites de frigorigène -1- du compresseur.
- Retirer les vis -3- et enlever le compresseur.
Remarque
- Fixation du support pour les organes auxiliaires -4- Moteur ; Gr. de rép. 13.
- Si le compresseur doit être déposé uniquement du support -4- en raison de la dépose d'autres composants, le circuit de frigorigène ne doit pas être ouvert et le compresseur doit être fixé avec les conduites de frigorigène raccordées sans aucune contrainte à la superstructure.
Poser
Remarque
- Toute la quantité d'huile de frigorigène est contenue dans le compresseur de rechange.
- Déterminer comme suit , la quantité de frigorigène dans le compresseur si les autres composants du circuit de frigorigène ne doivent pas être nettoyés à l'air comprimé et avec de l'azote:
- Retirer toute l'huile de frigorigène de l'ancien compresseur et mesurer la quantité.
- Retirer toute l'huile de frigorigène du nouveau compresseur.
- Verser dans le nouveau compresseur une quantité de frigorigène neuf égale à celle retirée.
La pose doit être effectuée dans l'ordre inverse. Tenir compte de ce qui suit:

- Faire tourner 10 fois le nouveau compresseur avant de l'installer.
- Lors de la pose, veiller à ce que les douilles d'ajustement -5- sont
montées.
Serrer la vis -3- Ã 25 Nm.
- Fixer la conduite de frigorigène -1- au compresseur.
Remarque Ne pas faire démarrer le moteur si les conduites de frigorigène ne sont pas raccordées au compresseur et si celui- ci est doté d'obturateurs (risque de surchauffe du fait du circuit interne d'huile de frigorigène).
- Remplacer le réservoir de liquide avec déshydrateur
- Remplir le circuit de frigorigène.
- Tenir compte des directives de rodage du compresseur.
Directives de rodage du compresseur
Toute l'huile de frigorigène est dans le compresseur après le premier remplissage du circuit de frigorigène ou si une quantité de frigorigène neuf a été versée dans le circuit de frigorigène après le nettoyage à l'air comprimé de celui-ci ( ).
Faire fonctionner le compresseur comme suit afin de ne pas l'endommager:
- Mettre le bouton rotatif de répartition d'air sur la position "diffuseur vers la personne ».
- Ouvrir tous les diffuseurs du tableau de bord.
- Régler la commande de la soufflante d'air frais sur 3 au minimum.
- Tourner à fond à gauche le bouton rotatif de sélection de température (température minimum).
Si Climatronic sélectionner la température "LO ».
- Faire démarrer le moteur.
- Enclencher le climatiseur après la stabilisation du ralenti (5 s environ).
Si Climatronic régler sur mode de fonctionnement "AUTO ».
- Faire tourner le moteur au ralenti pendant 5 minutes au moins et sans interruption.
- Ensuite arrêter le climatiseur.
La répartition de l'huile dans le circuit de frigorigène est alors terminée et le compresseur peut tourner à pleine charge.
Contrôle de la vanne de détente du compresseur
- Fonction: Protéger le circuit de frigorigène contre une pression trop élevée
| Danger! Il y a un risque en cas de givrage.
La vanne de détente vidange le frigorigène dans le circuit de frigorigène lorsque le moteur tourne et la pression est trop élevée. Couper le moteur. |

Contrôle de la vanne de détente du compresseur
- La vanne de détente -flèche- intervient lorsque l'huile de frigorigène adhère tout autour.
- Dans ce cas le véhicule doit être réparé à un point d'assistance spécialisé.
Remarque La position de la vanne de détente varie l'une de l'autre sur les différents compresseurs. Mais la fonction est identique.
Réparation du climatiseur - compartiment moteur
Attention! Déconnecter la tresse de masse de
la batterie avant de travailler sur l'installation électrique.
Remarque
Avant de déconnecter la batterie demander le codage s'il s' ...
Dépose et pose de la vanne d'expansion
(Seulement dans un atelier d'assistance et de maintenance!)
Remarque
Le frigorigène doit être aspiré auparavant.
Tous les composants ouverts du circuit de frigorigène doivent
être fermà ...
D'autres materiaux:
Eclairage intérieur avant
Fig. 61 Commande de l'éclairage avant : variante 1 / variante 2
Positions du commutateur d'éclairage coulissant A " fig. 61.
Activation
Commande automatique (position centrale)
D ...
Régler le calage de la distribution
Outils spéciaux équipements d'atelier, contrôleurs, appareils de
mesure et auxiliaires nécessaires
Adaptateur pour le comparateur -T10170-
Fixation de l'arbre à cames -T10171-
Contre- ...