Revue Technique Automobile Skoda Octavia: Dépose et pose de l'appareil de chauffage
Outils spéciaux équipements d'atelier, contrôleurs, appareils de mesure et auxiliaires nécessaires
- Collier de Durit -MP 7-602-
- Collier de Durit -T30096-
- Pistolet à air comprimé usuel
Un deuxième mécanicien est temporairement indispensable pour déposer et poser l'appareil de chauffage.
Dépose et pose
- Déposer le tableau de bord Carrosserie - Travaux de montage ; Gr. de rép. 70.
- Déposer les gaines du fond du plancher à droite et à gauche.
| Danger! La température du liquide de refroidissement peut dépasser 100° C lorsque le moteur est chaud. Le système de refroidissement est sous pression - risque d'ébouillantage! Laisser si nécessaire la pression et la témperature s'échapper avant d'effectuer des réparations. |

- Pincer la Durit de liquide de refroidissement -1- avec le collier de Durit -MP 7-602-.
- Pincer les Durits de liquide de refroidissement -2- et -3- avec le collier de Durit -T30096-.
Remarque Remplacer le liquide de refroidissement si l'échangeur thermique doit être échangé. Dans ce cas vidanger le liquide de refroidissement, Moteur ; Gr. de rép. 19, sans déconnecter les Durits de liquide de refroidissement.

- Débrancher les coupleurs rapides de l'échangeur thermique.
- Mettre une partie de la Durit -1- sur le raccord supérieur.
- Maintenir un réservoir -2- sous le raccord inférieur -3-.
- Souffler prudemment avec un pistolet à air comprimé le reste de liquide de refroidissement de l'échangeur thermique dans le réservoir -2-.
- Couvrir le tapis de la voiture à l'intérieur du véhicule avec une feuille imperméable et du papier buvard.

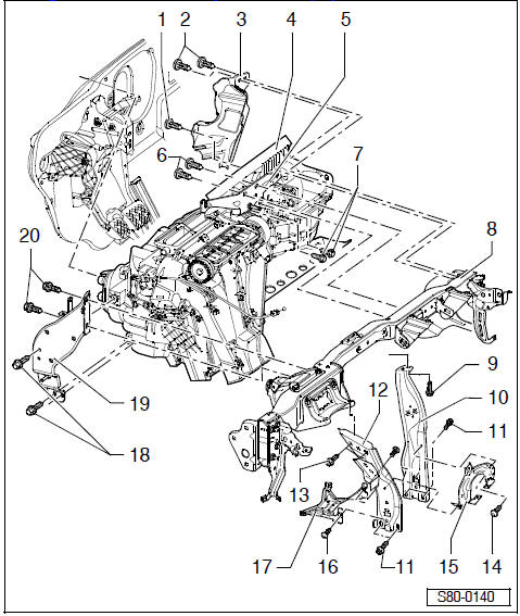
1 - Vis, 4 Nm
2 - Vis, 4 Nm
3 - Porte-câbles
4 - Appareil de
chauffage
- Déposer:
- Déposer le diffuseur au plancher à gauche.
- Déposer les pièces intermédiaires pour la gaine de dégivrage et le diffuseur du tableau de bord.
- Débrancher les connexions à fiches de l'appareil de chauffage.
- Désolidariser le faisceau de câbles du support rep. 5.
- Retirer les vis rep. 6 et rep. 7 du support rep. 5.
- Déposer le support rep. 5.
- Déposer les supports rep. 15 et rep. 17.
- Déposer les appuis rep. 10 et rep. 12.
- Déposer l'appareil de commande pour l'interface de diagnostic du bus de données -J533- (fixé au niveau de la colonne de direction sur le support rep. 19) Installation électrique ; Gr. de rép. 90.
- Retirer les vis rep. 18 et rep. 20 et enlever le support rep. 19.
- Retirer les vis rep. 1 et rep. 2 du porte-câbles rep. 3.
Remarque Afin d'atteindre la vis rep. 1, sortir un peu du tablier l'appareil de chauffage côté conducteur.
- Extraire l'appareil de chauffage.
- Poser: La pose doit être effectuée dans l'ordre inverse en observant les points suivants:
- Poser d'abord le joint par rapport au tablier anti-projections de l'habitacle puis guider la bride de l'échangeur thermique à travers le joint Fig. 1 au
- Versement du liquide de refroidissement Moteur ; Gr. de rép. 19.
5 - Support, droit
6 - Vis, 8 Nm
7 - Vis, 8 Nm
8 - Support de
montage
9 - Vis, 8 Nm
10 - Appui à droit
11 - Vis, 20 Nm
12
- Appui à gauche
13 - Vis, 8 Nm
14 - Vis, 8 Nm
15 - Support
16 - Vis, 2 Nm
17 - Support
18 - Vis, 8 Nm
19 - Support, gauche
20 - Vis, 8 Nm

Fig. 1: Joint de l'appareil de
chauffage/compartiment
moteur
Remarque Tenir compte de la position de montage du joint -1-.
1 - Joint - il doit se trouver tout autour dans le tablier
anti-projections
2 - Tablier anti-projections
3 - Boudin - il doit se
trouver tout autour dans la gorge de la bride de l'échangeur thermique
Dépose et pose de la grille de l'air d'aspiration
Déposer
Déposer le cache du caisson d'eau Carrosserie - Travaux de
montage ; Gr. de rép. 64.
Retirer les écrous de fixation -flèches- et enlever la grille
de l'air d'aspiratio ...
D'autres materiaux:
Déposer et poser le tableau de bord
Déposer
ATTENTION! Déconnecter la tresse de masse
de la batterie avant de travailler sur l'installation électrique.
Déposer le volant .
Déposer l'habillage du haut ...
Chauffage du pare-brise et de la lunette arrière
Fig. 65 Touches pour le chauffage du pare-brise et de la lunette arrière :
Chauffage, climatiseur manuel, Climatronic
Le chauffage permet de dégivrer ou de ventiler le pare-brise ava ...
