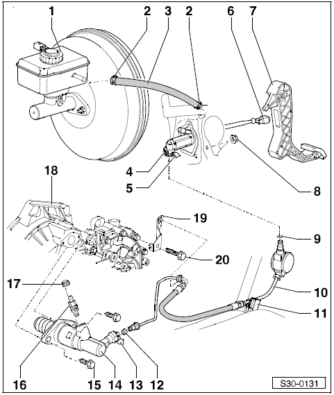
Revue Technique Automobile Skoda Octavia: Aperçu du montage - Systeme hydraulique

1 - Réservoir de liquide de frein
2 - Collier a lame-ressort
3 -
Durit d'écoulement
4 - Cylindre transmetteur
- Déposer et poser
5 - Agrafe
- Pour déposer et poser la Durit, extraire completement l'agrafe
6 - Support
- Déposer et poser
7 - Pédale d'embrayage
- Déposer et poser
8 - 20 Nm
- Support de palier sur superstructure
- toujours remplacer
9 - Joint torique
- toujours remplacer
- mettre sur le raccord de câble
- insérer avec du liquide de frein
- Ne pas se tromper, les joints toriques rep. 9 et rep. 12 sont différents Fig. 1 au
- Affectation Catalogue des pieces de rechange
10 - Durit
- Affectation Catalogue des pieces de rechange
- Déposer la batterie, et le porte-batterie pour la dépose Installation électriques ; Gr. de rép. 27.
11 - Support
- Fixé a la superstructure
12 - Joint torique
- toujours remplacer
- mettre sur le raccord de câble
- Avant de le poser, y passer du liquide de frein
- Ne pas se tromper, les joints toriques rep. 9 et rep. 12 sont différents Fig. 1 au
- Affectation Catalogue des pieces de rechange
13 - Agrafe
- Pour déposer et poser la Durit, extraire completement l'agrafe
14 - Cylindre récepteur
- Déposer et poser
15 - 20 Nm
16 - Valve du reniflard
- Purger l'air du systeme d'embrayage
17 - Capuchon pare-poussiere
18 - Boîte de vitesses
19 - Support
20 - 20 Nm

Fig. 1: Joints toriques pour Durits

Déposer et poser le transmetteur de la position d'embrayage -G476-
Déposer
Avant de déconnecter la batterie demander le codage s'il s'agit
d'un autoradio équipé d'un codage antivol.
Déposer le filtre a air Moteur correspondant ; Gr. de rép. 24.
Dépo ...
Dépose et pose du cylindre récepteur
Outils spéciaux équipements d'atelier, contrôleurs, appareils de
mesure et auxiliaires nécessaires
Clé dynamométrique
Déposer
Avant de déconnecter la batterie demander le codage ...
D'autres materiaux:
Commande confort du toit ouvrant coulissant/relevable
La commande confort permet de déployer ou de fermer le toit ouvrant
coulissant/
relevable via la clé ou avec le système KESSY via le capteur dans la poignée
de la porti ...
Dépose et pose de l'interrupteur du toit ouvrant et du plafonnier
Déposer
Enlever prudemment le diffuseur avant -flèche- par le bas.
Retirer les deux vis à empreinte cruciforme -1-.
Retirer le plafonnier en le tirant vers le bas et débrancher
le ...