Revue Technique Automobile Skoda Octavia: Aperçu du montage de l'aile avant
Remarque Ce processus est valable pour l'aile avant, qui doit être posée de nouveau sur le véhicule.
Outils spéciaux équipements d'atelier, contrôleurs, appareils de mesure et auxiliaires nécessaires
- Support du fil pour couper par ex. -V.A.G 1351-
- Fil pour couper -VW 357 853 999 A-
- Colle -DA 001 730 A1-
- Solution de nettoyage -D 009 401 04-
- Soufflante d'air chaud

1 - 8 Nm
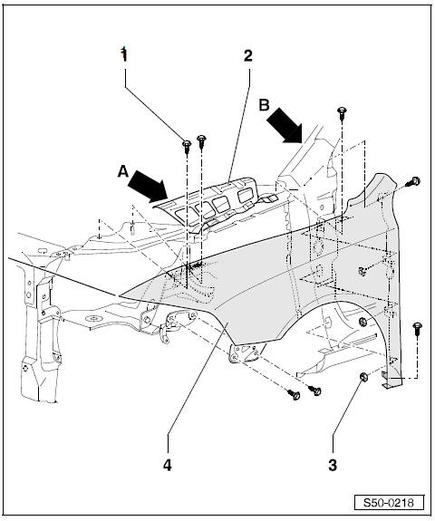
2 - Support d'aile
- Déposer et poser Carrosserie - Remise en état ; Gr. de rép. 50
3 - Ecrou, 8 Nm
4 - Aile avant
- Dépose
- Déposer le pare-chocs avant et le profilé de guidage
- Déposer la coque de passage de roue avant
- Déposer l'alarme avec alimentation électrique autonome (s'il existe) Installation électrique ; Gr. de rép. 94
- Déposer le cache de séparation
- Extraire les obturateurs
- Retirer le panneau d'insonorisation
- Dévisser les écrous rep. 3
- Enlever les vis rep. 1
- Réchauffer l'aile avec support d'aile -2- au niveau du raccord avec une soufflante à air chaud
- Couper le joint de collage entre l'aile et le support -flèche A- avec du fil pour couper avec supports
- Ouvrir la portière avant
- Réchauffer l'aile avec la partie inférieure du montant A extérieur au niveau du raccord -flèche B-
- Lever la partie avant de l'aile et arracher prudemment l'aile au niveau du raccord avec le montant A et avant et vers le haut
Remarque Ne réchauffer l'aile que brièvement à max. 100°C afin de ne pas endommager la peinture.
- Poser:
- Pouper la colle durcie sur l'aile, le support et sur le montant A
- Nettoyer les surfaces de contact de l'aile, du support et du montant A avec une solution de nettoyage -D 009 401 04-
- Passer de la colle -DA 001 730 A1- sur la partie inférieure du montant A extérieur et sur le support d'aile Fig. 1 au
Remarque L'aile doit être posée dans les 30 minutes qui suivent sinon mauvaise adhérence.
Continuer la pose dans l'ordre inverse. Tenir compte de ce qui suit: Ajuster l'aile avant Carrosserie - Remise en état ; Gr. de rép. 00.

Fig. 1: Passer la colle
1 - Support d'aile
2 - Colle
Aile avant
...
Déposer et poser le cache de séparation
Déposer
Déposer la coque de passage de roue.
Retirer les écrous -2-.
Enlever le cache de séparation -1- de l'aile.
Poser
La pose doit être effectuée dans l'ordre inverse. ...
D'autres materiaux:
Sélection du mode et affichage d'infodivertissement
Fig. 176 Touche pour la sélection du mode de conduite : variante 1/variante
2
Fig. 177
Affichage sur l'écran d'Infodivertissement
Procédure pour le choix du mode de cond ...
Raccords pour les adaptateurs de couplage rapide sur le circuit de
frigorigène
N'installer que des vannes et des raccords capables de résister au
frigorigène R 134a et aux huiles allant avec.
Différents raccords (diamètres extérieurs) pour les côtés haute
press ...