Revue Technique Automobile Skoda Octavia: Aperçu du montage
| Attention! Déconnecter la tresse de masse de la batterie avant de travailler sur l'installation électrique. |
Remarque
- Avant de déconnecter la batterie demander le codage s'il s'agit d'un autoradio équipé d'un codage antivol.
- En débranchant et rebranchant la tresse de masse de la batterie, quelques travaux complémentaires doivent être effectués Installation électrique ; Gr. de rép. 27.

1 - Tableau de bord
- Déposer et poser Carrosserie - Travaux de montage ; Gr. de rép. 70
2 - Diffuseur central
- Déposer et poser
3 - Diffuseur latéral
- Déposer et poser
4 - Servomoteur du clapet de recirculation -V113-
- Déposer et poser
5 - Diffuseur au plancher à droite
- Déposer et poser
6 - Arbre flexible
- pour l'unité de réglage des clapets des diffuseurs d'air
- Déposer et poser
7 - Résistance série pour soufflante d'air frais avec fusible contre la surchauffe -N24-
- Déposer et poser
8 - Soufflante d'air frais -V2-
- Déposer et poser
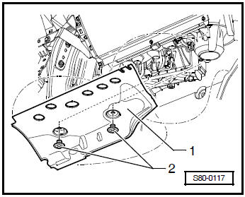
9 - Protection pour l'appareil de chauffage
- Déposer et poser Fig. 1 au
10 - Filtre à poussière et à pollen
- Déposer et poser
11 - Gaine du fond du plancher à droite
- Déposer et poser
12 - Gaine centrale du fond
- Déposer et poser Carrosserie - Travaux de montage ; Gr. de rép. 68
13 - Diffuseur du fond central
- Déposer et poser
14 - Guidage d'air
- pour diffuseur du fond central
15 - Gaine du fond du plancher à gauche
- Déposer et poser
16 - Vis, 1,5 Nm
- 8 unités
17 - Régulation pour l'air de chauffage et frais
- Déposer et poser
18 - Adaptateur pour la régulation
19 - Résistance de chauffage
d'appoint -Z35-
- Déposer et poser
20 - Echangeur thermique
- Déposer et poser
- Changer complètement le liquide de refroidissement après le remplacement de l'échangeur thermique
21 - Diffuseur au plancher à gauche
- Déposer et poser
22 - Câble Bowden pour volet de température
- Déposer et poser
23 - Appareil de chauffage
- Déposer et poser
- Désassembler et assembler
24 - Pièce intercalaire pour la gaine de dégivrage
- placée sur le carter du répartiteur et fixée avec un clip au tableau de bord - traverse
- L'enlever pour pouvoir déposer le tableau de bord
25 - Pièce intercalaire pour diffuseur du tableau de bord
- placée sur le carter du répartiteur
- L'enlever pour pouvoir déposer le tableau de bord
26 - Gaine du diffuseur
- pour souffleur de la vitre dans la portière
- Composant de la protection

Fig. 1: Déposer la protection pour l'appareil de chauffage
- Retirer les vis en plastique -2- et enlever la protection -1-.

Fig. 2: Position de montage du joint de l'appareil de
chauffage/compartiment moteur
- D'abord introduire le joint de l'appareil de chauffage/ compartiment moteur -1- dans le tablier anti-projections -2- puis tirer la lèvre d'étanchéité -3- dans la gorge de l'échangeur thermique.
Remarque Afin d'éviter que de l'eau ne pénètre dans l'habitacle, tenir compte de la position de montage.
Désassemblage et assemblage de l'appareil de chauffage
1 - Unité de réglage pour volet de température
Déposer et poser
2 - Support 3 - Protection 4 - Servomoteur du clapet de
recirculation -V113-
Déposer et poser   ...
D'autres materiaux:
Déverrouillage / verrouillage de la portière du conducteur
Fig. 232 Poignée dans la portière conducteur : Barillet de serrure recouvert/
barillet de serrure avec clé
La portière du conducteur peut, en cas d'urgence, êtr ...
Climatic - Climatiseur avec régulation manuelle - 2ème partie
Dépose et pose de la régulation du
chauffage et du climatiseur
Déposer
Remarque
La régulation est composée de deux carters séparables.
Avant de
déposer la régulation mettre les bout ...
